Zum Hauptinhalt wechseln
Gemeinsam reparieren - Jetzt registrieren

Die Xbox Series S ist die aktuelle Konsole von Microsoft, die ohne Laufwerk auskommt. Sie wurde mit ihrem großen Bruder, der Xbox Series X, am 10. November 2020 veröffentlicht.

Fehlende Bauteile am HDMI Retimer Chip

Hallo,

ich habe mir eine defekte Series S besorgt und versuche sie wieder zum Laufen zu bringen. Der Retimer wurde wahrscheinlich getauscht und dabei sind wohl Wiederstände abhanden gekommen.

Block Image

Kann mir jemand sagen was da genau fehlt und wo ich die Teile herbekomme ? Bei Vergleichsbildern aus dem Netz sind da mehr Bauteile zu sehen.

Gruss Flo

Beantwortet! Antwort anzeigen Ich habe das gleiche Problem

Ist dies eine gute Frage?

Bewertung 1
1 Kommentar

Vielen lieben Dank für die super ausführliche Antwort !! Ich habe leider noch ein fehlendes Bauteil oberhalb des Retimer Chip entdeckt. Könnt Ihr mir da auch nochmal weiterhelfen ?

[image|3339168]

von

Einen Kommentar hinzufügen

2 Antworten

Gewählte Lösung

Mal sehen, vielleicht hat einer unserer Kollegen in den USA passende Infos dazu.

@oldturkey03

Hello my fellow schematics wizard :-)

It would come in handy if you might have the schematics with further information about the missing parts. Do you? ;-)

War diese Antwort hilfreich?

Bewertung 2
Einen Kommentar hinzufügen
Hilfreichste Antwort

@benz78 hello my friend! You called :-) ? This was a bit of a beast but we got it solved.

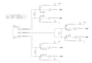
@xslushedx this is what the designators are for the IC U40 (HDMI RE-DRIVER NB7NQ621M)

Reference Designator R29 is a 0 ohm resistor in a 0402 package

Reference Designator R28 is a 0 ohm resistor in a 0402 package

Reference Designator R699 is a 0 ohm resistor in a 0402 package (EMPTY)

Reference Designator R693 is a 0 ohm resistor in a 0402 package (EMPTY)

Reference Designator R189 is a 0 ohm resistor in a 0402 package

Reference Designator R178 is a 100 ohm resistor in a 0201 package

Reference Designator C704 is a 1µF 20% 6.3V X5R capacitor in a 0201 package

There is definitely a pattern to why those were left off. All the ones missing are 0 ohm resistors. Some of those are even listed as Empty, meaning that whoever build the boards for Microsoft, was not supposed to place a component there. If you are not familiar with 0 ohm resistors do on a board, check on here Sorry, I only have an English link for that. Maybe @benz78 has the German equivalent.

Bottom line, those are not needed for the function with the exception of R178, which is needed. That is the reason why whoever worked on the board before you, left that one in place.

Translation

@benz78 Hallo, mein Freund! Du hast gerufen :-) ? Das war eine Herausforderung, aber wir haben sie gelöst.

@xslushedx so lauten die Bezeichnungen für den IC U40 (HDMI RE-DRIVER NB7NQ621M)

Block Image

Der Referenzdesignator R29 ist ein 0-Ohm-Widerstand in einem 0402-Gehäuse.

Der Referenzdesignator R28 ist ein 0-Ohm-Widerstand in einem 0402-Gehäuse

Der Referenzdesignator R699 ist ein 0-Ohm-Widerstand in einem 0402-Gehäuse (LEER)

Der Referenzdesignator R693 ist ein 0-Ohm-Widerstand in einem 0402-Gehäuse (LEER)

Der Referenzdesignator R189 ist ein 0-Ohm-Widerstand in einem 0402-Gehäuse.

Der Referenzdesignator R178 ist ein 100-Ohm-Widerstand in einem 0201-Gehäuse.

Der Referenzdesignator C704 ist ein 1µF 20% 6,3V X5R Kondensator in einem 0201 Gehäuse

Es gibt definitiv ein Muster dafür, warum sie weggelassen wurden. Alle, die fehlen, sind 0-Ohm-Widerstände. Einige von ihnen sind sogar als leer aufgeführt, was bedeutet, dass derjenige, der die Platinen für Microsoft gebaut hat, dort kein Bauteil platzieren sollte. Wenn du dich mit 0-Ohm-Widerständen auf einer Platine nicht auskennst, sieh dir das hier an. Leider habe ich nur einen englischen Link dafür. Vielleicht hat @benz78 das deutsche Äquivalent.

Unterm Strich, diese Widerstände werden für die Funktion nicht benötigt, mit Ausnahme von R178, der benötigt wird. Das ist der Grund, warum derjenige, der vor dir an dem Board gearbeitet hat, diesen Komponent an Ort und Stelle gelassen hat.

Block Image
Block Image
Block Image
Block Image

War diese Antwort hilfreich?

Bewertung 3

2 Kommentare:

Wonderful! Thank you so much @oldturkey03 :-)

For me it would be perfect, but let's see if our OT can work with it.

von

Thank you very much for your help. That helped me alot !

von

Einen Kommentar hinzufügen

Antwort hinzufügen

XslushedX !! wird auf ewig dankbar sein.
Seitenaufrufe:

Letzte 24 Stunden: 0

Letzte 7 Tage: 3

Letzte 30 Tage: 9

Insgesamt: 255